一品楼凤万花楼,广州百花丛bhc论坛,老哥稳论坛怎么进,郑州夜网品茶论坛

欢迎进入 [ 无锡鸿海设备科技有限公司 ] 官网!

粉碎系列当前位置:首页 > 产品中心 > 粉碎系列 >

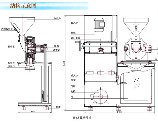
旋风脉冲吸尘粉碎机组

产品简介
       本机适用于制药、化工、食品等行业,是粉碎与吸尘为一体的粉碎设备。
工作原理
       本机利用活动齿盘和固定齿盘间的相对运动,使被粉碎物经齿冲击、摩擦及物料彼此间冲击而获得粉碎。粉碎好的物料经旋转离心力的作用,自动进入捕集袋,粉尘由吸尘箱经布袋过滤回收。整机按“GMP”标准设计,用不锈钢材料制造,生产过程中无粉尘飞扬。且能提高物料的利用率,降低企业成本。
技术参数
型号 生产能力 主轴转速 进料粒度 粉碎细度 粉碎电机 吸尘电机 外形尺寸
(长×宽×高)
20B 60-150kg/h 4500r/min 6mm 60-150目 4KW 1.5KW 1100×600×1650
(mm)
30BIV.V.VI 100-300kg/h 3800r/min 10mm 60-120目 5.5KW 1.5KW 1200×650×1650
(mm)
40B 160-800kg/h 3400r/min 12mm 60-120目 11KW 1.5KW 1350×700×1700
(mm)

上一篇:罐磨机

下一篇:WF型微粉碎机产品